•  0
    • Unbeatable prices
    • OE and Aftermarket parts
    • Click & Collect
    • Fast Delivery within UAE
    Unbeatable prices OE and Aftermarket parts Click & Collect Fast Delivery within UAE
    VIN Number
    i
    Manufacturer
    Step 1:

    Click here to select a manufacturer

    Model
    Step 2:

    Click here to select a model

    Version
    Step 3:

    Click here to select a Version

    Product number: 0986AH0251 | EAN: 4047024946712
    Properties
    Alles weergeven
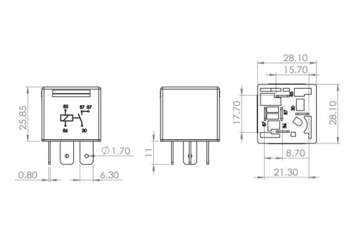
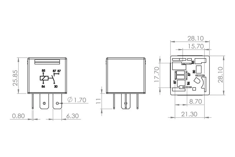
    Length (mm) 28
    Height (mm) 37
    Voltage (V) 12
    Switch function normally open contact
    Width (mm) 28
    Number of pins (-pin connector) 5
    Supplementary article/supplementary info without holder
    Resistor (Ohm) 90
    Rated current (A) 30
    Relay function normally open contact
    Temperature range from (°C) -40
    Temperature range to (°C) 85

    Multifunctional Relay

    AED 15,75 Price incl. vat. 5%

    Your last viewed products (8)
    Applicability / OE numbers
    Manufacturer Model Version Engine code Construction type Construction start Construction end Pk Power kw
    ALFA ROMEO ALFA ROMEO
    BMW BMW
    FIAT FIAT
    KIA KIA
    MASERATI MASERATI
    MERCEDES-BENZ MERCEDES-BENZ
    PEUGEOT PEUGEOT
    VOLVO VOLVO
    Manufacturer Productnumber
    FIAT 4339372
    FIAT 7612321
    MERCEDES-BENZ 000 545 80 05 , 0005458005
    MERCEDES-BENZ 001 542 32 19 , 0015423219
    MERCEDES-BENZ 002 545 19 05 , 0025451905
    MERCEDES-BENZ A 000 545 80 05 , A0005458005
    MERCEDES-BENZ A 001 542 32 19 , A0015423219
    MERCEDES-BENZ A 002 545 19 05 , A0025451905
    BMW 01243207
    BMW 61 31 1 243 207 , 61311243207
    LANCIA 4339372
    KIA 0K011 18811 , 0K01118811
    KIA 0K9A0 18811 , 0K9A018811
    HYUNDAI 39160 25000 , 3916025000
    PORSCHE 999 657 009 90 , 99965700990
    FERRARI 0313320134
    FERRARI 04 01 30 07 , 04013007
    MAN 39 90058 0029 , 39900580029
    FENDT X 830 250 011 000 , X830250011000
    CASE IH 820 036 97 , 82003697
    CASE IH 82003697
    JOHN DEERE AZ 26 996 , AZ26996
    JOHN DEERE AZ26996
    NEW HOLLAND 82003697
    Usage numbers

    Yes you can return it free and easy withing 14 days.


    When the part number matches or when you buy our 100% fit service! When you buy our fit service we will check with the VIN number if the part fits 100%


    Yes when we have it on stock on one of our stores in Dubai or Al Ain. Please see the pickup date details on the product page, or call us for more the latest dispatch info or pickup times


    Yes on every purchase you have a year manufacturer warranty through the distributor.


    Our customers can pick it up, or we send our goods within 1 to 2 working days. So within 2 and 3 days, you will receive your parts if they are in stock at Partxl or at our manufacturers.


    Alternative products (7)
    EAN code 3165141686050
    Productnumber 0332019150
    Brand BOSCH

    In stock

    Price incl. vat.AED 9,45
    EAN code 4047026846805
    Productnumber 0986332209
    Brand BOSCH

    In stock

    Price incl. vat.AED 19,95
    EAN code 4047024946699
    Productnumber 0 986 AH0 250
    Brand BOSCH

    In stock

    Price incl. vat.AED 9,45
    EAN code 4027816453994
    Productnumber 45399
    Brand FEBI BILSTEIN
    Price incl. vat.AED 25,20
    EAN code 3165141210835
    Productnumber 0332019103
    Brand BOSCH
    Price incl. vat.AED 26,25
    EAN code 3165141146851
    Productnumber 0332015006
    Brand BOSCH
    Price incl. vat.AED 145,95
    EAN code 3165141210835
    Productnumber 0 332 019 103
    Brand BOSCH
    Price incl. vat.AED 22,05

    Multifunctional Relay

    BOSCH

    Partxl proudly delivers the most extensive range of Bosch automotive products across the GCC region. As a trusted supplier for garages, wholesalers, and car enthusiasts, we stock both original equipment (OE) and high-quality aftermarket Bosch parts to meet all your vehicle maintenance and repair needs. Whether you're looking for Bosch fuel injectors, sensors, spark plugs, filters, braking systems, alternators, or diagnostic tools, Partxl has you covered with one of the widest selections available.

    Thanks to our central warehouse located in Al Quoz 3, Dubai, and a strong network of suppliers, we ensure fast, reliable delivery—same-day or next-day across the UAE and within 3 days to the wider GCC. Our clients benefit from a seamless shopping experience, advanced part search options by VIN, engine code, or OEM number, and expert support to find the perfect fit for any vehicle. Whether you're servicing European, Asian, or American vehicles, trust Partxl to deliver Bosch quality with speed and precision.